Автомобили с выгодой до 40 % - в нашем телеграм-канале   Перейти

Subaru PLEO Лот 871, торги от 13.01.2026

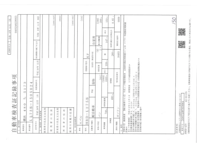
Аукцион NPS Tokyo Nyusatsu Дата аукциона 13.01.2026 Год2016 Тип кузоваХэтчбек Номер кузоваL275B Объем660 сс Трансмиссия DAT Пробег 89 000 км Цветбелый Оценка4
Цена в Японии80 000 ¥
Цена в России (с ПТС)482 620 ₽

Аукционный лист

А1Маленькая царапина
А2Царапина
А3Большая царапина
Е1Небольшая вмятина
Е2Несколько небольших вмятин
Е3Много небольших вмятин
U1Маленькая вмятина
U2Вмятина
U3Большая вмятина
W1Ремонт/покраска (едва обнаружимые)
W2Ремонт/покраска (заментные)
W3Ремонт/покраска (очень заментные, должно быть перекрашено)
S1Малозаметная ржавчина
S2Ржавчина
С1Коррозия
С2Заметная коррозия
PКраска отличается от оригинала
HКраска ухудшилась Х Элемент требует замены
XXЗамененный элемент
B1Маленькая вмятина с царапиной (размером с большой палец)
B2Вмятина с царапиной (размером с ладонь)
В3Большая вмятина с царапиной (размером с локоть)
Y1Маленькая трещина
Y2Трещина
Y3Большая трещина
X1Маленькая трещина на ветровом стекле (приблизительно 1 см)
RВосстановленная трещина на ветровом стекле
RXВосстановленная трещина на ветровом стекле (требует замены)
ХТрещина на ветровом стекле (требует замены)
GСкол на стекле (возможна трещина)
Показать все

Полная стоимость авто

Курс валют ЦБ на сегодня: 1$ - 78,5710₽ 100¥ - 49,3540₽

Курс валют в коммерческих банках: 1$ - 80,48₽ 100¥ - 53,60₽

Средняя стоимость автомобиля во Владивостоке со всеми расходами:

482 620

Стоимость на аукционе:

42 880  ¥

Доставка по Японии

53 600 ₽ 100 000 ¥

Фрахт

32 160 ₽ 60 000 ¥
* Фрахт (плата за перевозку авто морским путём из Японии во Владивосток):- 60 000 ¥. 
Суда закрытого и открытого типа, сроки 3-4 недели, качественная фото опись.
Для перевода йен в рубли взят средний курс банков г. Владивостока

Оформление автомобиля по прибытию во Владивосток

75 000 ₽
* Оформление автомобиля по прибытию во Владивосток: (75 000 рублей)
- получение сопроводительных документов на авто;
- погрузочно-разгрузочные работы;
- хранение автомобиля на складе временного хранения - 5 дней;
- подготовка и подача таможенной декларации; 
- услуги таможенного брокера;
- прохождение лаборатории (получение СБКТС и ЭПТС);
- получение ЭПТС;
Стоимость может меняться, в зависимости от причала выгрузки судна

Комиссия компании ООО "Икигай Авто"

90 000 ₽
  • консультация;
  • поиск и подбор автомобиля в Японии;
  • организация приобретения автомобиля;
  • сопровождение сделки по приобретению авто с момента выбора до передачи авто Клиенту.

Размер комиссии зависит от стоимости автомобиля.

Таможенные платежи:

183 780
  • Сборы за таможенное оформление: 1 231
  • Пошлина (3 Евро за 1 см3): 182 549

Утилизационный сбор (20000 руб. x 0.26):

5 200
Внимание! Расчет утилизационного сбора ориентировочный. Точный расчет вам поможет сделать менеджер, для этого надо знать верное значение мощности для данной модели и модификации.
Дополнительными расходами может быть "сверхнормативное" хранение в порту, согласно СВХ "ВАТ": с 6-8 сутки по 1000р, 9-10 сутки по 2000р, с 11 суток по 5000р. Так же, в случае оформления а/м на физ лицо с пропиской не ДВФО, брокер предоставляет либо услугу оформления на ДВ физика стоимостью 20000р или регистрация ФЛ стоимостью 10000р. Вся представленная на сайте информация, касающаяся технических характеристик, наличия на складе, стоимости товаров, носит информационный характер и ни при каких условиях не является публичной офертой, определяемой положениями Статьи 437(2) Гражданского кодекса РФ.
Японская частьиены (¥)рубли (₽)
Цена на аукционе 42 880
Расходы в Японии 60 000 ¥ 32 160
Российская частьрубли (₽)
Разбор авто и Фрахт 144 864
Таможенная чистка 150 000
Комиссия 30 000
Эвакуатор с таможни 4 500
Сборка 20 000
Дополнительными расходами может быть "сверхнормативное" хранение в порту, согласно СВХ "ВАТ": с 6-8 сутки по 1000р, 9-10 сутки по 2000р, с 11 суток по 5000р.  Вся представленная на сайте информация, касающаяся технических характеристик, наличия на складе, стоимости товаров, носит информационный характер и ни при каких условиях не является публичной офертой, определяемой положениями Статьи 437(2) Гражданского кодекса РФ.
Японская частьиены (¥)рубли (₽)
Цена на аукционе 42 880
Расходы по Японии 100 000 ¥ 53 600
Российская частьрубли (₽)
Разбор авто и Фрахт 144 864
Таможенная чистка 150 000
Комиссия 30 000
Эвакуатор с таможни 4 500
Сборка 12 000
Дополнительными расходами может быть "сверхнормативное" хранение в порту, согласно СВХ "ВАТ": с 6-8 сутки по 1000р, 9-10 сутки по 2000р, с 11 суток по 5000р.  Вся представленная на сайте информация, касающаяся технических характеристик, наличия на складе, стоимости товаров, носит информационный характер и ни при каких условиях не является публичной офертой, определяемой положениями Статьи 437(2) Гражданского кодекса РФ.

Похожие авто