Автомобили с выгодой до 40 % - в нашем телеграм-канале   Перейти

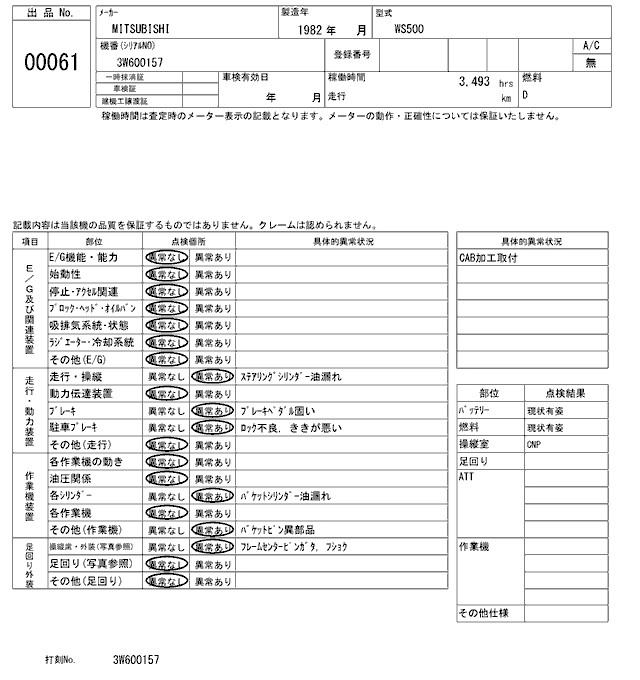
MITSUBISHI OTHER 1982 г., лот № 61

Статус выставлен на аукцион Лот 61 Аукцион ARAI Kenki Дата аукциона 28.10.2025
Год выпуска1982 Пробег 3 000 км КузовWS500 Комплектация WHEEL LOADER -
Оценка***
Стартовая цена авто на аукционе 88 888 000 ¥

Аукционный лист

А1Маленькая царапина
А2Царапина
А3Большая царапина
Е1Небольшая вмятина
Е2Несколько небольших вмятин
Е3Много небольших вмятин
U1Маленькая вмятина
U2Вмятина
U3Большая вмятина
W1Ремонт/покраска (едва обнаружимые)
W2Ремонт/покраска (заментные)
W3Ремонт/покраска (очень заментные, должно быть перекрашено)
S1Малозаметная ржавчина
S2Ржавчина
С1Коррозия
С2Заметная коррозия
PКраска отличается от оригинала
HКраска ухудшилась Х Элемент требует замены
XXЗамененный элемент
B1Маленькая вмятина с царапиной (размером с большой палец)
B2Вмятина с царапиной (размером с ладонь)
В3Большая вмятина с царапиной (размером с локоть)
Y1Маленькая трещина
Y2Трещина
Y3Большая трещина
X1Маленькая трещина на ветровом стекле (приблизительно 1 см)
RВосстановленная трещина на ветровом стекле
RXВосстановленная трещина на ветровом стекле (требует замены)
ХТрещина на ветровом стекле (требует замены)
GСкол на стекле (возможна трещина)
Показать все

Полная стоимость авто

Курс валют ЦБ на сегодня: 1$ - 80,9713₽ 100¥ - 53,0542₽

Курс валют в коммерческих банках: 1$ - 82,11₽ 100¥ - 56,00₽
Торги по автомобилю еще не проведены и финальная стоимость не известна
Японская частьиены (¥)рубли (₽)
Цена на аукционе 49 777 280
Расходы в Японии 60 000 33 600
Российская частьдоллары ($)рубли (₽)
Разбор авто и Фрахт 1 800 147 798
Таможенная чистка 150 000
Комиссия 30 000
Эвакуатор с таможни 4 500
Сборка 20 000
Японская частьиены (¥)рубли (₽)
Цена на аукционе 49 777 280
Расходы по Японии 100 000 56 000
Российская частьдоллары ($)рубли (₽)
Разбор авто и Фрахт 1 800 147 798
Таможенная чистка 150 000
Комиссия 30 000
Эвакуатор с таможни 4 500
Сборка 12 000