Автомобили с выгодой до 40 % - в нашем телеграм-канале   Перейти

KOMATSU OTHER 1990 г., лот № 370

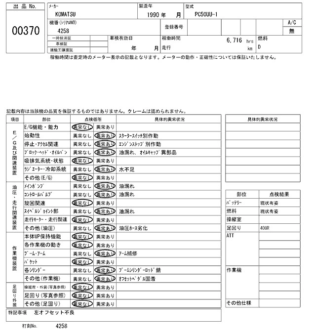
Статус выставлен на аукцион Лот 370 Аукцион ARAI Kenki Дата аукциона 21.10.2025
Год выпуска1990 Пробег 7 000 км КузовPC50UU-1 Комплектация MINI YUATSU SHOVEL
Оценка***
Стартовая цена авто на аукционе 30 000 ¥

Аукционный лист

А1Маленькая царапина
А2Царапина
А3Большая царапина
Е1Небольшая вмятина
Е2Несколько небольших вмятин
Е3Много небольших вмятин
U1Маленькая вмятина
U2Вмятина
U3Большая вмятина
W1Ремонт/покраска (едва обнаружимые)
W2Ремонт/покраска (заментные)
W3Ремонт/покраска (очень заментные, должно быть перекрашено)
S1Малозаметная ржавчина
S2Ржавчина
С1Коррозия
С2Заметная коррозия
PКраска отличается от оригинала
HКраска ухудшилась Х Элемент требует замены
XXЗамененный элемент
B1Маленькая вмятина с царапиной (размером с большой палец)
B2Вмятина с царапиной (размером с ладонь)
В3Большая вмятина с царапиной (размером с локоть)
Y1Маленькая трещина
Y2Трещина
Y3Большая трещина
X1Маленькая трещина на ветровом стекле (приблизительно 1 см)
RВосстановленная трещина на ветровом стекле
RXВосстановленная трещина на ветровом стекле (требует замены)
ХТрещина на ветровом стекле (требует замены)
GСкол на стекле (возможна трещина)
Показать все

Полная стоимость авто

Курс валют ЦБ на сегодня: 1$ - 81,3582₽ 100¥ - 53,8939₽

Курс валют в коммерческих банках: 1$ - 83,64₽ 100¥ - 56,69₽
Торги по автомобилю еще не проведены и финальная стоимость не известна
Японская частьиены (¥)рубли (₽)
Цена на аукционе 17 007
Расходы в Японии 60 000 34 014
Российская частьдоллары ($)рубли (₽)
Разбор авто и Фрахт 1 800 150 552
Таможенная чистка 150 000
Комиссия 30 000
Эвакуатор с таможни 4 500
Сборка 20 000
Японская частьиены (¥)рубли (₽)
Цена на аукционе 17 007
Расходы по Японии 100 000 56 690
Российская частьдоллары ($)рубли (₽)
Разбор авто и Фрахт 1 800 150 552
Таможенная чистка 150 000
Комиссия 30 000
Эвакуатор с таможни 4 500
Сборка 12 000