Автомобили с выгодой до 40 % - в нашем телеграм-канале   Перейти

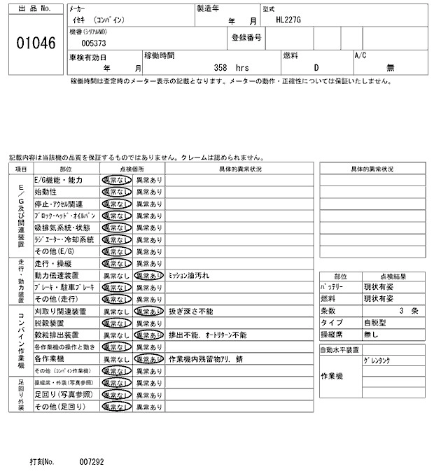
ISEKI OTHER г., лот № 1046

Статус выставлен на аукцион Лот 1046 Аукцион ARAI Kenki Дата аукциона 21.10.2025
КузовHL227G Комплектация COMBINE
Оценка***
Стартовая цена авто на аукционе 0 ¥

Аукционный лист

А1Маленькая царапина
А2Царапина
А3Большая царапина
Е1Небольшая вмятина
Е2Несколько небольших вмятин
Е3Много небольших вмятин
U1Маленькая вмятина
U2Вмятина
U3Большая вмятина
W1Ремонт/покраска (едва обнаружимые)
W2Ремонт/покраска (заментные)
W3Ремонт/покраска (очень заментные, должно быть перекрашено)
S1Малозаметная ржавчина
S2Ржавчина
С1Коррозия
С2Заметная коррозия
PКраска отличается от оригинала
HКраска ухудшилась Х Элемент требует замены
XXЗамененный элемент
B1Маленькая вмятина с царапиной (размером с большой палец)
B2Вмятина с царапиной (размером с ладонь)
В3Большая вмятина с царапиной (размером с локоть)
Y1Маленькая трещина
Y2Трещина
Y3Большая трещина
X1Маленькая трещина на ветровом стекле (приблизительно 1 см)
RВосстановленная трещина на ветровом стекле
RXВосстановленная трещина на ветровом стекле (требует замены)
ХТрещина на ветровом стекле (требует замены)
GСкол на стекле (возможна трещина)
Показать все

Полная стоимость авто

Курс валют ЦБ на сегодня: 1$ - 80,9834₽ 100¥ - 53,9602₽

Курс валют в коммерческих банках: 1$ - 83,23₽ 100¥ - 56,69₽
Торги по автомобилю еще не проведены и финальная стоимость не известна